友情链接 / links
技术支持:云搜网络
辽宁联通管业有限公司版权所有
|

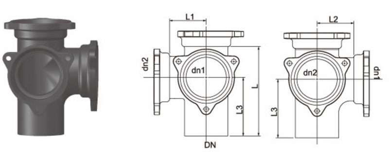
A型直角四通产品参数

A型柔性接口铸铁排水管及管件
A型柔性接口铸铁排水管及管件系列产品是依据GB/T12772-2016《排水用柔性接口铸铁管、管件及附件》国家标准生产,单承口管材及管件采用法兰压盖、密封胶圈、紧固螺栓连接形式。具有密封效果好、抗冲击力强、抗震性能优良、安装快捷、维修简便、性能可靠等特点。
A型柔性接口铸铁排水管及管件安装方法
1、先截取相应长度的直管,切割后应确保断面与直管轴线垂直、断口光滑整齐、无飞边毛刺,以免划伤橡胶密封圈;
2、在直管或管件的插口上画好插入深度标志线,深度标志线的断面与直管或管件的轴线相垂直,承口与插口端部连接处应保留大约5mm的间隙;
3、将法兰压盖、橡胶密封圈依次套入直管或管件插口端,橡胶密封圈的上边缘与直管或管件插口上画好的插入深度标志线对齐;
4、将插口端插入承口内,并保持橡胶密封圈在承口内的深度相同,安装时应特别注意插口所指方向为水流方向;
5、从上向下装入螺栓,紧固螺栓时应对角交叉进行,逐个逐次均匀紧固,使橡胶密封圈均匀受力。

联系电话:0418-7795555
服务热线:0418-7795555
地址:辽宁省阜新市彰武县仁和街4号
技术支持:云搜网络
辽宁联通管业有限公司版权所有